| おんどはんい | -65~+155℃ | 絶縁抵抗 | ≥1000MΩ | |
| とくせいインピーダンス | 50Ω | ぜつえんたいあつ | 750 V(ミリ秒) | |
| しゅうはすうはんい | 0~6GHz | ていざいはひ | ≤1.30 | |
| ていかくでんあつ | 250 V(二乗平均) | 挿入損失 | 1 GHzで0.1 dB | |
| せっしょくていこう | ちゅうしんどうたい | ≤0.005Ω | 耐久性 | 500サイクル |
| がいぶどうたい | ≤0.0025Ω | |||

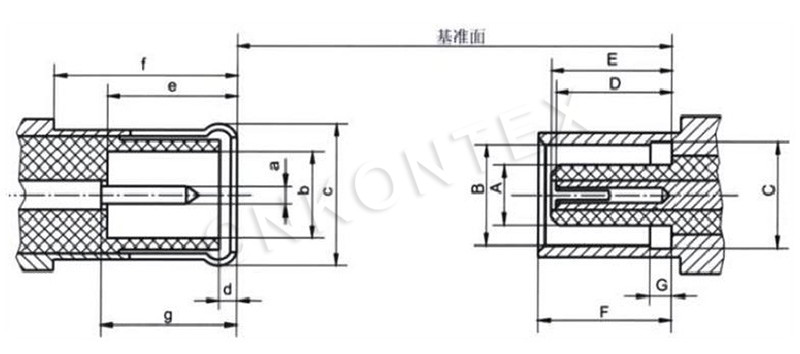
| 栓(mm) | ||
| 敏 | マックス | |
| 一 | φ0.48 | φ0.53 |
| b | φ2.00 | φ2.07 |
| C | φ3.66 | φ3.76 |
| d | 0 | 0.30 |
| e | 2.81 | 3.20 |
| f | 4.15 | 一 |
| グラム | 2.81 | 3.20 |
| ジャッキ(mm) | ||
| 敏 | マックス | |
| A. | φ1.80 | φ1.97 |
| B | φ3.43 | φ3.48 |
| C | φ3.61 | φ3.75 |
| D | 2.31 | 2.79 |
| E | 2.61 | 2.79 |
| F | 4 | 4.12 |
| G | 0.75 | 0.85 |
電話番号
メール
Top