| おんどはんい | -55~+155℃ | 絶縁抵抗 | ≥1000MΩ | ||
| とくせいインピーダンス | 50Ω | たいでんきょうど | 500V | ||
| ていざいはひ | まっすぐ | ≤1.22(0-1GHz) | せっしょくていこう | ちゅうしんどうたい | ≤0.005Ω |
| ≤1.35(0-3GHz) | がいぶどうたい | ≤0.0025Ω | |||
| 直角 | ≤1.50(0~1GHz) | しゅうはすうはんい | |||
| ≤1.63(0~3GHz) | 永続性 | 500サイクル | |||

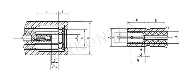
| 記号 | 栓(mm) | |
| 敏 | マックス | |
| 一 | φ4.50 | - |
| b | φ2.74 | - |
| d | 1.35 | |
| e | 2.74 | |
| f | - | 2.26 |
| グラム | 0.53 | - |
| h | 0.53 | 0.89 |
| 記号 | ジャッキ(mm) | |
| 敏 | マックス | |
| A. | - | φ2.69 |
| B | φ1.37 | - |
| C | φ0.35 | φ0.38 |
| D | φ2.10 | φ2.14 |
| E | 2.30 | - |
| F | 2.77 | |
| G | - | 2.44 |
| H | 0 | 0.13 |
| J | - | 0.56 |
電話番号
メール
Top